UrbanPro
true
Worksheet Homepage
Worksheet Icon

Free CBSE Worksheets

Get a custom worksheet to practice!

Board

subject

Select a Class

Select a subject*

Alternating Current Atoms Communication Systems Current Electricity Dual Nature of Radiation and Matter Electric Charges and Fields Electromagnetic Induction Electromagnetic Waves Electrostatic Potential and Capacitance Magnetism and Matter Moving Charges and Magnetism Nuclei Ray Optics and Optical Instruments Semiconductor Electronics Unit 1-Electrostatics Unit 10-Communication Systems Unit 2-Current Electricity Unit 3-Magnetic Effect of Current & Magnetism Unit 4-Electromagnetic Induction & Alternating Current Unit 5-Electromagnetic Waves Unit 6-Optics Unit 7-Dual Nature of Matter Unit 8-Atoms & Nuclei Unit 9-Electronic Devices Wave Optics

Please select another category

Select Chapter(s)

Chapters & Subtopics

Advanced»

Select type of questions

Select the length of worksheet

Questions (5 to 100)

No of questions have to be between 5 to 100

Free CBSE - Class 12 Physics worksheets

Sample Worksheets

Here is a Sample Worksheet for you to Practice. Download this worksheet to see the answers.

1.

Find the equivalent resistance between the point and of the presented cubical circuit.

1.

3.0 Ω

2.

6.0 Ω

3.

9.0 Ω

4.

12.0 Ω

2.

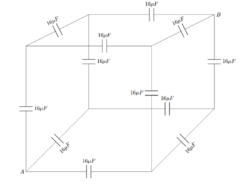
Find the equivalent capacitance between the points A and B of the presented cubical circuit.

1.

$\frac{16}{5} \mu F$ 

2.

$\frac{32}{5} \mu F$

3.

$\frac{48}{5} \mu F$

4.

$\frac{96}{5} \mu F$

3.

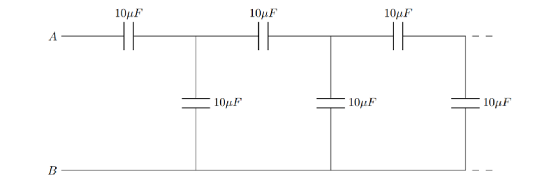
Find the equivalent capacitance between the point A and B of the presented figure.

1.

$\frac{34}{7} \mu F$ 

2.

$\frac{17}{7} \mu F$ 

3.

$\frac{18}{7} \mu F$ 

4.

$\frac{19}{7} \mu F$ 

4.

Determine the equivalent capacitance between the point A and B of the presented circuit.

1.

$\frac{2}{3} \mu F$ 

2.

$\frac{4}{3} \mu F$

3.

$\frac{1}{3} \mu F$

4.

$\frac{5}{3} \mu F$

5.

Evaluate the equivalent capacitance between the points A and B of the presented infinite ladder.

1.

$5 \mu F$ 

2.

$(5-5\sqrt{5})\mu F$ 

3.

$(5+5\sqrt{5})\mu F$ 

4.

$5\sqrt{5}\mu F$ 

6.

Calculate the equivalent resistance between the point A and B of the presented circuit.

1.

$\frac{1}{3} \Omega$ 

2.

$\frac{4}{3} \Omega$ 

3.

$\frac{3}{2} \Omega$ 

4.

$\frac{2}{3} \Omega$ 

7.

Determine the equivalent resistance between the terminal A and B of the presented figure.

1.

$\frac{25}{4} \Omega$ 

2.

$\frac{25}{8} \Omega$ 

3.

$\frac{5}{4} \Omega$ 

4.

None of these

8.

Find the equivalent resistance between the terminal A and B of the presented figure.

1.

4.0 Ω

2.

2.0 Ω

3.

8.0 Ω

4.

6.0 Ω

9.
Two waves $A$ and $B$ of frequencies 2 MHz and 3 MHz, respectively are beamed in the same direction for communication via sky wave. Which one of these is likely to travel longer distance in the ionosphere before suffering total internal reflection?
10.
The maximum amplitude of an A.M. wave is found to be 15 V while its minimum amplitude is found to be 3 V. What is the modulation index?
- OR -

Build a Custom CBSE - Class 12 Physics worksheets

Download free printable Physics Worksheets to practice. With thousands of questions available, you can generate as many Physics Worksheets as you want.

Free Physics Worksheets

Our worksheets are designed to help students explore various topics, practice skills and enrich their subject knowledge, to improve their academic performance. Designed by experts who have extensive experience and expertise in teaching a subject, these worksheets will improve your child's problem-solving skills and subject knowledge in a fun and interactive manner.

Check out our free customized worksheets across school boards, grades, subjects, and levels of subject knowledge. You can download, print, and share these worksheets with anyone, anywhere, anytime!

Top Tutors who teach CBSE - Class 12 Physics

(14)
superTutorSuper Tutor
locationImg Parsudih, Jamshedpur
3 yrs of Exp students 21 students
1685 hrs of classes completed
rsIcon 500 per hour
Be the better version of yourself
Online Classes Online Classes
regularClasses Tutor's home
Aakarshan

Simply he is doing very well, and my child is also learning the things with great enthusiasm.Debojit sarkar ji is simply phenomenal

Skills: Mathematics , Physics

Hrithik C. Physics in Noida
(1068)
superTutorSuper Tutor
locationImg Knowledge Park II, Noida
9 yrs of Exp students 599 students
43121 hrs of classes completed
rsIcon 400 per hour
I have been mentoring students since 9 years to students all over India
Online Classes Online Classes
Sapna

I’m very thankful to have such an excellent Physics and Chemistry tuition sir for my son.He explains even difficult concepts in a very simple and clear way, making both subjects much easier to understand. His focus on strong fundamentals and regular practice has really improved my son's confidence and performance. He is patient, dedicated, and always ready to clear doubts. His guidance and motivation have made a big difference in his learning. I highly recommend him to any student who wants strong conceptual clarity and great results.

Skills: Physics , Chemistry

(53)
superTutorSuper Tutor
locationImg Pandri, Raipur
5 yrs of Exp students 40 students
2174 hrs of classes completed
rsIcon 520 per hour
IIT(ISM)-Dhanabd | Physics Faculty for JEE, NEET, Class XI & XII.
Online Classes Online Classes
Sruti

Atulya Sir is an excellent teacher who clarifies all doubts of my daughter. We are happy with his teaching abilities.

Skills: Physics

Ajay A s Physics in Kota
(80)
superTutorSuper Tutor
locationImg Talwandi Sector-B, Kota
10 yrs of Exp students 14 students
684 hrs of classes completed
rsIcon 1850 per hour
Author of DOOR TO IIT
Online Classes Online Classes
homeTutions Student's Home
regularClasses Tutor's home
Skills: Mathematics , Physics and more

Top Concept Videos in Physics

Cyclotron Working video thumbnail

Cyclotron Working

CBSE - Class 12>Physics

Provider Image
Physics Institute
Super TutorSuper Tutor

Resistance Rules in Electric Circuits video thumbnail

Resistance Rules in Electric Circuits

CBSE - Class 12>Physics

Provider Image
Prakash Jana
Super TutorSuper Tutor

Magnetic effects of Current Numerical Solving video thumbnail

Magnetic effects of Current Numerical Solving

CBSE - Class 12>Physics

Provider Image
Physics Institute
Super TutorSuper Tutor


Worksheet Icon

Free CBSE Worksheets

Get a custom worksheet to practice!

Board

subject

Select a Class

Select a subject*

Alternating Current Atoms Communication Systems Current Electricity Dual Nature of Radiation and Matter Electric Charges and Fields Electromagnetic Induction Electromagnetic Waves Electrostatic Potential and Capacitance Magnetism and Matter Moving Charges and Magnetism Nuclei Ray Optics and Optical Instruments Semiconductor Electronics Unit 1-Electrostatics Unit 10-Communication Systems Unit 2-Current Electricity Unit 3-Magnetic Effect of Current & Magnetism Unit 4-Electromagnetic Induction & Alternating Current Unit 5-Electromagnetic Waves Unit 6-Optics Unit 7-Dual Nature of Matter Unit 8-Atoms & Nuclei Unit 9-Electronic Devices Wave Optics

Please select another category

Select Chapter(s)

Chapters & Subtopics

Advanced»

Select type of questions

Select the length of worksheet

Questions (5 to 100)

No of questions have to be between 5 to 100

This website uses cookies

We use cookies to improve user experience. Choose what cookies you allow us to use. You can read more about our Cookie Policy in our Privacy Policy

Accept All
Decline All

UrbanPro.com is India's largest network of most trusted tutors and institutes. Over 55 lakh students rely on UrbanPro.com, to fulfill their learning requirements across 1,000+ categories. Using UrbanPro.com, parents, and students can compare multiple Tutors and Institutes and choose the one that best suits their requirements. More than 7.5 lakh verified Tutors and Institutes are helping millions of students every day and growing their tutoring business on UrbanPro.com. Whether you are looking for a tutor to learn mathematics, a German language trainer to brush up your German language skills or an institute to upgrade your IT skills, we have got the best selection of Tutors and Training Institutes for you. Read more